Werbung
Werbefläche
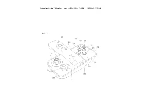
Nintendo ließ sich beim amerikanischen Patentamt einige Patente für einen neuen Controller sichern. Wozu dieser Controller dienen wird, ist noch nicht bekannt. Eine Skizze gibt's in der Galerie.
Und wer sich das komplette Patent durchlesen möchte, kann das HIER tun.
Galerie
Weitere Meldungen
Trending
News
Yoshi and the Mysterious Book: Vorbesteller im My Nintendo Store erhalten Boni und Plüsch-Bundles
News
Tonies und Pokémon stellen erste Produkte auf der Spielwarenmesse Nürnberg vor
News
Orbitals zeigt sich im Gameplay-Trailer: Da darf man staunen!
News








